产品展示
联系我们
上海茂育科教设备有限公司
生产基地:上海松江叶榭工业园
业务电话:021-56311657
业务电话:021-56411696
业务手机:17821391226(陈经理)
业务手机:13916286558(陈金达)
网址:www.jiaoxueyq.com
网址:www.shmaoyu.cn
邮箱:shanghaimaoyu@126.com
太阳能基站光照跟随PLC控制实训模型
作者:茂育科教 发布时间:2024-10-29 14:51:14
MY-PV12太阳能基站光照跟随PLC控制实训模型-是太阳能以其不竭性和环保优势已成为当今国内外具有发展前景的新能源之一。光伏(pv)发电技术在国外已得到深入研究和推广,我国在技术上也已基本成熟,并已进入推广应用阶段。但太阳能存在着密度低、间歇性、光照方向和强度随时间不断变化的问题,这就对太阳能的收集和利用装置提出了更高的要求。目前很多太阳能电池板阵列基本上都是固定的,不能充分利用太阳能资源,发电效率低下。如果能始终保持太阳能电池板和光照的垂直,使其尽可能地接收太阳能,则能充分利用丰富的太阳能资源。据实验,在太阳能发电中,相同条件下,采用自动跟踪发电设备要比固定发电设备的发电量提高35%左右。因此,设计开发能自动追踪太阳光照的控制系统,是非常有价值的研究课题。
一种新型的可编程逻辑控制器plc(programmable logic controller)的太阳光自动跟踪系统,不仅能自动根据太阳光方向来调整太阳能电池板的朝向,结构简单、而且在跟踪过程中能自动记忆和更正不同时间的坐标位置,不必人工干预,特别适合天气变化比较复杂和无人值守的情况,有效地提高了太阳能的利用率,有较好的推广应用价值和市场应用前景。
一、自动跟踪系统的组成及工作原理
太阳能光照自动跟踪控制系统由plc主控单元、光照度传感器、方位传感器和信号处理单元、光伏模块、电磁机械运动控制模块和电源模块组成。系统的组成框图如图1所示。
图1 系统组成框图
太阳能光伏发电设备自动跟踪系统的光敏探测头(传感器)是用来检测太阳光强的。当有偏差发生时,偏差信号经过跟踪plc主控单元(控制器),采用模拟差压比较原理,进行运算、比较、发出指令,使电动执行器动作,驱动机械部分转动推动整个装置旋转,调整偏差,保证太阳能电池方阵正对太阳光,达到自动跟踪太阳的目的。太阳能电池方阵在阳光的照射下光伏发电,通过控制器向蓄电池充电。系统配有自动保护线路,当风力达到8级时自动启动,切断跟踪太阳系统,使电池方阵快速收平,在风力降下来时延时10分钟,解除防风系统,恢复跟踪过程。固定光强、跟踪光强、电瓶温度和自然风速等由微机进行数据采集,并对蓄电池充电和放电进行分级控制。
系统有自动和手动两种控制方式,sb1和sb2为控制按钮,用于手动操作,plc输出的q0或q1分别连接到两个继电器线圈,以控制太阳板的正反两个运动方向。在自动运行模式下,plc首先比较来自信号处理单元的两个模拟输入的值,然后决定输出q0或者q1。
1.1 可编程逻辑控制器plc单元
跟踪控制器采用可编程逻辑控制器plc,它是太阳能电池板跟踪系统的控制核心,是系统研究工作的重点。系统采用欧姆龙(omron)公司近年推出的α系列plc,该机型为介于大型机与小型机之间的中小型机,最大控制i/o点数为1184点。在应用中,中央处理器单元(cpu)采用c200hx-cpu43-e,它自带一个编程口和一个rs232c口,该cpu具有丰富的指令功能,编程方便;开关量输入模块选用c200h-id212;开关量输出模块选用c200h-oc225;与上位机的通讯,通过在cpu中插入通讯板c200hw-com06-e(该板具有一个rs232c和一个rs-422/485)实现远程通讯,由于采用了rs-422接口,采取平衡式发送,因此数据传输率高,而且串扰小,传输距离可达500m。特别对串并联的并网光伏太阳能电池阵列的跟踪系统控制,能发挥plc现场总线控制的优势,进行集中控制。经过研究和优化设计,应用集成标准线路,采用模拟差压比较原理,控制器具有跟踪精度高、范围宽、自动返回功能。限位装置具有东、西、上、下四个方位的极限限位功能。采用双重限位控制结构,即控制信号限位和驱动电机限位,保证了设备可靠地工作。图2所示为plc输入/输出硬件配置图。
图2 plc输入输出硬件配置图
1.2 传感器检测和信号处理单元
太阳的方位随着观测位置和观测时间的不同而不同,因此,欲跟踪太阳就必须先对太阳进行检测定位。检测太阳光光强的方法有定时法、坐标法、太阳能电池板光强比较法和光敏电阻光强比较法。对这4种控制方法进行了对比筛选后认为:定时法电路虽然简单,但由于季节的影响,系统的控制精度较差;坐标法控制精度较高,但控制电路复杂;光强比较法使系统的太阳能利用率不能达到最佳;光敏电阻比较法电路实现简单,对太阳能的利用率最大。
基于此,选择控制精度高和电路易于实现的光敏电阻光强比较法作为本研究系统的检测方案。光敏探测头(传感器)是太阳能电池板跟踪系统的光信号接收器,它是利用光敏电阻在光照时阻值发生变化的原理,将两个相同的光敏电阻分别放置于一块电池板东西方向边沿处的下方(光与电池板垂直时,一半可接收光,一半在下边)。如果太阳光垂直照射太阳能电池板时,两个光敏电阻接收到的光照强度相同,所以它们的阻值相等,此时电动机不转动。当太阳光方向与电池板垂直方向有夹角时,接收光强多的光敏电阻阻值减小,驱动电动机转动,直至两个光敏电阻上的光照强度相同。控制灵敏度的高低直接影响跟踪精度,光敏电阻光强比较法的优点在于控制精确,电路设计比较容易实现。经过实验研究,选用质量轻、美观、耐腐蚀的铝合金材料,光电接收管经过严格的计算、定位,以保证其检测灵敏度。
图3所示是太阳光电定位装置中光电检测电路的俯视图,共由9个光电三极管组成。正中央1个,旁边8个围成一圈。将此检测板用一不透光的下方开口的圆柱体盖住,圆柱体的直径略大于检测板的外圆。圆柱体的上方中央开一个与检测用的光电二极管直径相同的洞,以便光线通过。将整个光电检测装置安装在太阳能光电池板上,光电二极管的检测面与电池板平行。在圆柱体的外面不受圆柱体遮挡的地方(确保会受到光线的照射)也安装一个光电二极管,其朝向与圆柱体内的光电二极管朝向相同,用于检测环境亮度,并与圆柱体内的每个光电二级管及运放(可用lm324集成电路中的一个)构成一个比较电路。这样当圆柱体内的光电二极管没有受光线照射时,运放将输出低电平,此电平可接到的输人端进行检测,圆柱体内的每个光电二级管各用一个plc的输入端,共9个。这样就可以检测太阳光线的朝向,来决定哪个电机转动,向哪个方向转动。另外,为了增大光电二极管的检测范围,视实际情况需要,也可再增加一圈紧密排列的光电二极管,外圈的光电二极管与内圈的相应位置的光电二极管并联。
图3 光电检测排列
图4所示为信号处理单元电路,当太阳辐射强度增加时,光电电阻阻值减小,1k可变电阻的压降增加,从而产生与太阳光辐射强度有直接关系的电压信号。两个传感器的输出信号与plc模拟输入端口连接,并对这两个模拟信号进行比较运算,从而输出正确的信号,以驱动太阳能电池板跟踪系统的电磁机构。

图4 信号处理单元
1.3 光照度传感器
检测太阳能光谱范围,是一种专门测量光度、亮度的仪器仪表。就是测量光照强度(照度)是物体被照明的程度,也即物体表面所得到的光通量与被照面积之比。照度计通常是由硒光电池或硅光电池和微安表组成。
| 显示 | 3-1/2位液晶显示及模拟条形码指示 |
| 测量档位 | 20.00 Lux, 200.0 Lux, 2000 Lux, 20.00 Klux 20.00 fc, 200.0 fc, 2000 fc, 20.00 Kfc (1 fc = 10.76 Lux) |
| 过载显示 | 显示“OL” |
| 分辨率 | 0.01 Lux (0.01fc) |
| 准确度 | ±3%rdg ± 0.5% f.s (大于10KLux档准确度为 ±4%rdg ±10dgts, 以色温2856K标准平面灯校正 |
| 光谱准确性 | f 1 < 6% |
| 温度特性 | ±0.1% 1℃ |
| 取样率 | 数字显示每秒2.5次,模拟显示每秒13.3次 |
| 感光体 | 硅制光二极管及泸光镜片 |
| 记录组数 | 最多255组 |
| 操作温湿度 | 0℃ ~ 40℃,80%R.H.以下 |
| 储存温湿度 | -10℃ ~ 50℃,70%R.H.以下 |
| 电 源 | 6颗1.5V AAA电池 |
| 电池寿命 | 连续使用约400小时 (碳锌电池) |
| 光检测器引线长度 | 150cm |
| 光检测器尺寸 | 150公分及92(长) × 60(宽) × 29mm(高) |
| 电表尺寸 | 150(长) × 72(宽) × 35 mm (高) |
光伏模块采用三菱光伏智能功率模块pv-ipm(pm50b4la060),其技术参数主要有峰值功率pmax=85w,最佳工作电压17.5v,这些参数是在标准的试验条件下测试的(太阳光强度1000w/m3,太阳板温度25℃,空气质量1.5)。
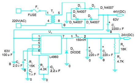
1.5 系统电源模块
电源电路采用开关电源设计,具有高效率、低损耗的特点。采用开关控制芯片l4960,能提供5.1~40v的输出电压和2.5A的输出电流。电源电路如图5所示,通过调整两个电阻r3和r4,以产生12-24v直流电压,24v(dc)用于plc电源,44v(dc)直接取自整流桥侧供给直流电机。如果用于光伏逆变系统的跟踪系统,220v(ac)可以直接取自光伏逆变电源。

图5 开关电源设计
二、光伏系统软件设计
并网光伏发电系统控制软件采用模块化设计,包括plc控制和监控程序、pc监控和数据处理程序两个主要部分。
2.1 plc控制和监控程序
plc控制语句是整个太阳能电池板跟踪系统的重要组成部分,软件编程采用欧姆龙公司的cx-programmer 7.1,cx-p梯形图编程支持软件为使用者提供了从操作界面到程序注释的全中文操作环境,支持windows的拖拉及粘贴操作,以及完备的检索功能和常用标准位简易输入功能,为使用者创造了一个高效的编程操作环境。通过计算机的rs-232c口与plc的rs-232c口连接,对plc进行数据实时监控、修改和在线编辑等,方便地把程序传递到plc中或从plc中读出数据。plc主要完成如下工作:
(1)控制跟踪系统的运动,控制逻辑如图6所示。
图6 控制过程的逻辑顺序
(2)此子程序是将plc输入与输出状态复制到内存的特定位置,称为标记区域,pc监控程序能随时直接从内存区域读取输入和输出状态。
(3)采样数据存储。这是一个在线采集存储过程,通过ram数据存储内部的特殊矩阵,每一小时读取光敏电阻的值。数据采集白天进行,晚上停止,直到第二天日出。采集的时间(小时和分钟)存储在不同的矩阵,然后在pc机的屏幕上显示出来。当ram内存满时,将不再存储数据,直到复位操作将存储数据清除。这部分程序采用顺序功能图表(sequentialfunctioningchart,sfc)进行编程,算法如图7所示。
图7 存储过程顺序功能图
2.2 pc监控和数据处理程序
采用面向对象的高级编程语言visualbasic6.0实现以下功能:
(1)自动检测pc机rs232串口和plc端口的连接状态。
(2)系统监控。决定光伏模块的实际位置和运动方向,显示光敏电阻的读数,以及内存溢出标记。
(3)模块的强制性前向和反向运动。通过程序界面,发出指令控制plc操作。如果出现系统位置异常,可强迫太阳板按照操作要求恢复初始位置。
(4)显示系统设置。显示存储在plc内存中的太阳跟踪系统的设置,如前向和反向运动极限,光线暗度极限,前向和反向停止极限,以及对这些参数设置可直接进行修改。
4、结束语
本研究基于欧姆龙plc,采用光敏电阻比较法,构建了自动跟踪系统模型,使太阳能电池板自动保持与太阳光垂直。太阳能电池板自动跟踪太阳光并网发电系统的研究,有效地提高了太阳能的利用率和光伏发电系统的效率,增加了全年的发电功率输出,从整体上降低了光伏并网发电的成本,符合构建环保型和节能型社会发展的要求,具有很高的经济效益,并能产生良好的社会影响,具有理论研究意义和应用推广前景。基于plc的太阳能电池板跟踪系统能用于独立的太阳能光伏发电,也能应用于串/并联的并网光伏发电系统的现场总线控制,具有良好的应用前景。
更多相关设备:
汽车动力传动系统实验台
中职汽车维修专业建设的困难与对策
探析汽车发动机检测技术的应用
浅谈中职汽车营销课程实践性教学
汽车驾驶模拟器实训设备
汽车驾驶模拟器的故障排除
三屏幕汽车驾驶模拟器
汽车轿车发动机抖动怎么办?
论技能实训中培养学生就业意识
汽车电喷发动机故障检测与检修
浅谈汽车发动机冷却系统工作原理
汽车发动机检测技术的应用探析
光机电一体化实训装置
别克凯越常见100问题解答(三)
手动挡底盘系统实训装置技术参数
浅析捷达轿车空调不工作的故障检修
智能型万能铣床实训及技能考核设备
精馏-泵性能组合实验装置
中央空调实训考核台(网络型)
制储氢及氢氧燃料电池发电创新实训系统
光伏发电设备安装与调试实训系统
风向跟踪风力发电实训装置
太阳能电源技术及其应用装置
室内外风光互补发电实训系统
风光互补发电测量控制实验系统
风光互补发电实训装置
1KW光伏离网发电教学实训装置
燃料电池发电教学实训系统
太阳能光伏电池材料性能测试仪
风光互补发电测量控制实验装置
5KW太阳能离网发电实训装置
太阳能发电教学实训设备
太阳能光伏发电综合实训系统
风光氢及超级电容混合发电系统
5KW光伏储能发电教学系统
风光互补离(并)网发电实训系统
太阳能光伏电源发电系统实训装置
多能互补综合能源制冷热泵系统实验平台
楼宇新能源实训装置(光伏发电系统)
光伏发电设备安装与调试实训装置
太阳能热能培训器实训装置
光伏发电系统集成教学演示系统
制储氢及氢氧燃料电池发电创新实训系统
太阳能光伏发电系统实验考核装置
VR与AR在新能源汽车实训装置中的挑战与突破
智能制造设备安装与调试实训考核设备
气动PLC控制实训装置
新能源汽车整车检测与维修实训装置
热工自动化仪表实训平台
汽车电工电子实训设备
职业教育深化产教融合:挑战与机遇并行
MES网络型模块式柔性自动化生产线实训系统
模电数电技术综合实训装置
电工模电数电电拖综合实验装置
智能电机系统教学实验实训台
中央空调模拟控制实验装置
低压电工作业实操实训设备
网孔型高级维修电工实训平台
现代电力电子元器件实验箱
机电一体化柔性智能制造实训系统
自动化综合实训考核装置
网络型PLC可编程.变频调速.电气控制及单片机开发实验装置
PLC可编程控制器综合实训台
光机电液气一体化实训装置
平面双轴运行控制实训装置
循环搬运控制实训系统
典型机电设备安装与控制实训装置
机电一体化:工业自动化的核心驱动力
光机电气融合实训的兴起与展望
卧式镗床实训及技能考核装置
可再生能源智能微电网系统
20KW风光储智能微网实训系统
太阳能光伏发电系统实验实训装置
家用中央空调实训考核装置
网孔型初级维修电工实训考核装置
通用机电设备安装与调试实训装备
电工电子线路综合技能实验台
物联网工程综合应用实训装置
变风量中央空调系统实训装置
多功能膜分离实验装置
三层三站有机房载客电梯实训装置
高性能电工电子电力拖动实验平台
工业数字化网络综合实训平台
机电一体化实训工作站
电气控制与PLC技术实训装置
新能源汽车实训装置:
新能源汽车CAN-BUS测试诊断系统实训台
新能源汽车动力电池分类与结构原理展示装置
纯电动汽车综合底盘系统实训台
动力电池冷却系统实训台(水冷)
动力电池风冷技术实训台
新能源汽车充电枪操作实训板
纯电动汽车空调系统实训台
动力电池组及BMS管理系统实验箱
轮边轮毂电机及控制器台架、测试台架
动力电池PACK装调技术实训装置
新能源整车检测与诊断实训台
比亚迪新能源五合一控制器交互式拆装实训台
纯电动汽车驱动系统实训台
比亚迪E5整车网联教学理实一体化实操台
纯电动汽车驱动传动系统实训台
混合动力变速器解剖演示台
电动汽车电机控制器解剖实训台
纯电动汽车电动真空助力液压制动系统实训台
比亚迪e5车身电气系统实训装置
比亚迪e5车身电气系统实训装置
新能源汽车电机性能检测实验台(三合一)
新能源汽车模式三充电器系统实训装置
比亚迪纯电动空调和暖风舒适系统实操平台
纯电动汽车空调与暖风实训装置
新能源汽车制动能量回馈系统实验装置
部分案例分享
广西安全工程职业技术学院电工电子实训装置交付使用
哈尔滨理工大学机械实验室设备项目
河南工业职业技术学院化工实验设备项目
黑山县公共实训基地初级维修电工实训室项目
淮南矿业临涣煤矿电工实训设备项目
黄南州职业技术学校生态环境实验室设备项目
兰州市交通大学机电学院新能源教学设备项目
绍兴文理学院新能源实验设备交付使用
河南技师学院工业自动化实训室设备交付使用
道真中职学校PLC实训室项目
上一篇:风向跟踪风力发电实训装置
下一篇:小型风洞实训设备
推荐阅读


